PIHera precision linear nanopositioner, 60 µm, without sensor, LEMO connector
P-620.1 • P-629.1 PIHera Linear Precision Positioner
Variable Travel Ranges and Axis Configuration
- Travel ranges 50 to 1800 µm
- Resolution to 0.1 nm
- Linearity error 0.02 %
- X, XY, Z versions; XYZ combination possible





Application fields
- Interferometry
- Microscopy
- Nanopositioning
- Biotechnology
- Test applications
- Semiconductor technology
- Photonics
- Fiber positioning
Outstanding lifetime due to PICMA® piezo actuators
The PICMA® piezo actuators are all-ceramic insulated. This protects them against humidity and failure resulting from an increase in leakage current. PICMA® actuators offer an up to ten times longer lifetime than conventional polymer-insulated actuators. 100 billion cycles without a single failure are proven.
Subnanometer resolution with capacitive sensors
Capacitive sensors measure with subnanometer resolution without contacting. They guarantee excellent linearity of motion, long-term stability, and a bandwidth in the kHz range.
High guiding accuracy due to zero-play flexure guides
Flexure guides are free of maintenance, friction, and wear, and do not require lubrication. Their stiffness allows high load capacity and they are insensitive to shock and vibration. They work in a wide temperature range.
Maximum accuracy due to direct position measuring
Motion is measured directly at the motion platform without any influence from the drive or guide elements. This allows optimal repeatability, outstanding stability, and stiff, fast-responding control.
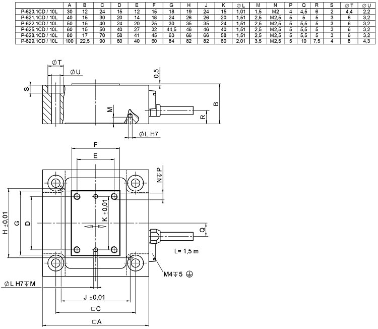
Specifications
Specifications
| Motion | P-620.10L | P-620.1CD | P-620.1CL | P-621.10L | P-621.1CD | P-621.1CL | P-622.10L | P-622.1CD | P-622.1CL | P-625.10L | P-625.1CD | P-625.1CL | P-628.10L | P-628.1CD | P-628.1CL | P-629.10L | P-629.1CD | P-629.1CL | Tolerance |
|---|---|---|---|---|---|---|---|---|---|---|---|---|---|---|---|---|---|---|---|
| Active axes | X | X | X | X | X | X | X | X | X | X | X | X | X | X | X | X | X | X | |
| Travel range in X | — | 50 µm | 50 µm | — | 100 µm | 100 µm | — | 250 µm | 250 µm | — | 500 µm | 500 µm | — | 800 µm | 800 µm | — | 1500 µm | 1500 µm | |
| Travel range in X, open loop | 60 µm | 60 µm | 60 µm | 120 µm | 120 µm | 120 µm | 300 µm | 300 µm | 300 µm | 600 µm | 600 µm | 600 µm | 950 µm | 950 µm | 950 µm | 1800 µm | 1800 µm | 1800 µm | ±20 % |
| Linearity error in X | — | 0.02 % | 0.02 % | — | 0.02 % | 0.02 % | — | 0.02 % | 0.02 % | — | 0.03 % | 0.03 % | — | 0.03 % | 0.03 % | — | 0.03 % | 0.03 % | typ. |
| Angular error around Y (pitch) | ± 3 µrad | ± 3 µrad | ± 3 µrad | ± 3 µrad | ± 3 µrad | ± 3 µrad | ± 3 µrad | ± 3 µrad | ± 3 µrad | ± 6 µrad | ± 6 µrad | ± 6 µrad | ± 6 µrad | ± 6 µrad | ± 6 µrad | ± 30 µrad | ± 30 µrad | ± 30 µrad | typ. |
| Angular error around Z (yaw) | ± 3 µrad | ± 3 µrad | ± 3 µrad | ± 3 µrad | ± 3 µrad | ± 3 µrad | ± 3 µrad | ± 3 µrad | ± 3 µrad | ± 6 µrad | ± 6 µrad | ± 6 µrad | ± 6 µrad | ± 6 µrad | ± 6 µrad | ± 10 µrad | ± 10 µrad | ± 10 µrad | typ. |
| Positioning | P-620.10L | P-620.1CD | P-620.1CL | P-621.10L | P-621.1CD | P-621.1CL | P-622.10L | P-622.1CD | P-622.1CL | P-625.10L | P-625.1CD | P-625.1CL | P-628.10L | P-628.1CD | P-628.1CL | P-629.10L | P-629.1CD | P-629.1CL | Tolerance |
| Bidirectional repeatability in X | — | 1 nm | 1 nm | — | 1 nm | 1 nm | — | 1 nm | 1 nm | — | 5 nm | 5 nm | — | 10 nm | 10 nm | — | 14 nm | 14 nm | typ. |
| Resolution in X, open loop | 0.1 nm | 0.1 nm | 0.1 nm | 0.2 nm | 0.2 nm | 0.2 nm | 0.4 nm | 0.4 nm | 0.4 nm | 0.5 nm | 0.5 nm | 0.5 nm | 0.5 nm | 0.5 nm | 0.5 nm | 2 nm | 2 nm | 2 nm | typ. |
| Integrated sensor | — | Capacitive, direct position measuring | Capacitive, direct position measuring | — | Capacitive, direct position measuring | Capacitive, direct position measuring | — | Capacitive, direct position measuring | Capacitive, direct position measuring | — | Capacitive, direct position measuring | Capacitive, direct position measuring | — | Capacitive, direct position measuring | Capacitive, direct position measuring | — | Capacitive, direct position measuring | Capacitive, direct position measuring | |
| System resolution in X | — | 0.2 nm | 0.2 nm | — | 0.4 nm | 0.4 nm | — | 0.7 nm | 0.7 nm | — | 1.4 nm | 1.4 nm | — | 1.8 nm | 1.8 nm | — | 3 nm | 3 nm | |
| Drive properties | P-620.10L | P-620.1CD | P-620.1CL | P-621.10L | P-621.1CD | P-621.1CL | P-622.10L | P-622.1CD | P-622.1CL | P-625.10L | P-625.1CD | P-625.1CL | P-628.10L | P-628.1CD | P-628.1CL | P-629.10L | P-629.1CD | P-629.1CL | Tolerance |
| Drive type | PICMA® | PICMA® | PICMA® | PICMA® | PICMA® | PICMA® | PICMA® | PICMA® | PICMA® | PICMA® | PICMA® | PICMA® | PICMA® | PICMA® | PICMA® | PICMA® | PICMA® | PICMA® | |
| Maximum power consumption | 3 W | 3 W | 3 W | 9 W | 9 W | 9 W | 9 W | 9 W | 9 W | 10 W | 10 W | 10 W | 18 W | 18 W | 18 W | 49 W | 49 W | 49 W | |
| Electrical capacitance in X | 0.35 µF | 0.35 µF | 0.35 µF | 1.5 µF | 1.5 µF | 1.5 µF | 3.1 µF | 3.1 µF | 3.1 µF | 6.2 µF | 6.2 µF | 6.2 µF | 19 µF | 19 µF | 19 µF | 52 µF | 52 µF | 52 µF | ±20 % |
| Short-term maximum operating frequency, unloaded | 367 Hz | 367 Hz | 367 Hz | 267 Hz | 267 Hz | 267 Hz | 133 Hz | 133 Hz | 133 Hz | 72 Hz | 72 Hz | 72 Hz | 42 Hz | 42 Hz | 42 Hz | 42 Hz | 42 Hz | 42 Hz | |
| Mechanical properties | P-620.10L | P-620.1CD | P-620.1CL | P-621.10L | P-621.1CD | P-621.1CL | P-622.10L | P-622.1CD | P-622.1CL | P-625.10L | P-625.1CD | P-625.1CL | P-628.10L | P-628.1CD | P-628.1CL | P-629.10L | P-629.1CD | P-629.1CL | Tolerance |
| Stiffness in X | 0.42 N/µm | 0.42 N/µm | 0.42 N/µm | 0.35 N/µm | 0.35 N/µm | 0.35 N/µm | 0.2 N/µm | 0.2 N/µm | 0.2 N/µm | 0.1 N/µm | 0.1 N/µm | 0.1 N/µm | 0.12 N/µm | 0.12 N/µm | 0.12 N/µm | 0.13 N/µm | 0.13 N/µm | 0.13 N/µm | ±20 % |
| Resonant frequency in X, unloaded | 1100 Hz | 1100 Hz | 1100 Hz | 800 Hz | 800 Hz | 800 Hz | 400 Hz | 400 Hz | 400 Hz | 215 Hz | 215 Hz | 215 Hz | 125 Hz | 125 Hz | 125 Hz | 125 Hz | 125 Hz | 125 Hz | ±20 % |
| Resonant frequency in X, under load with 20 g | 550 Hz | 550 Hz | 550 Hz | 520 Hz | 520 Hz | 520 Hz | 340 Hz | 340 Hz | 340 Hz | 180 Hz | 180 Hz | 180 Hz | 115 Hz | 115 Hz | 115 Hz | 120 Hz | 120 Hz | 120 Hz | ±20 % |
| Resonant frequency in X, under load with 120 g | 260 Hz | 260 Hz | 260 Hz | 240 Hz | 240 Hz | 240 Hz | 185 Hz | 185 Hz | 185 Hz | 110 Hz | 110 Hz | 110 Hz | 90 Hz | 90 Hz | 90 Hz | 110 Hz | 110 Hz | 110 Hz | ±20 % |
| Permissible push force in X | 10 N | 10 N | 10 N | 10 N | 10 N | 10 N | 10 N | 10 N | 10 N | 10 N | 10 N | 10 N | 10 N | 10 N | 10 N | 10 N | 10 N | 10 N | max. |
| Permissible push force in Y | 10 N | 10 N | 10 N | 10 N | 10 N | 10 N | 10 N | 10 N | 10 N | 10 N | 10 N | 10 N | 10 N | 10 N | 10 N | 8 N | 8 N | 8 N | max. |
| Permissible push force in Z | 10 N | 10 N | 10 N | 10 N | 10 N | 10 N | 10 N | 10 N | 10 N | 10 N | 10 N | 10 N | 10 N | 10 N | 10 N | 10 N | 10 N | 10 N | max. |
| Permissible pull force in X | 10 N | 10 N | 10 N | 10 N | 10 N | 10 N | 10 N | 10 N | 10 N | 10 N | 10 N | 10 N | 10 N | 10 N | 10 N | 10 N | 10 N | 10 N | max. |
| Guide | Flexure guide with lever amplification | Flexure guide with lever amplification | Flexure guide with lever amplification | Flexure guide with lever amplification | Flexure guide with lever amplification | Flexure guide with lever amplification | Flexure guide with lever amplification | Flexure guide with lever amplification | Flexure guide with lever amplification | Flexure guide with lever amplification | Flexure guide with lever amplification | Flexure guide with lever amplification | Flexure guide with lever amplification | Flexure guide with lever amplification | Flexure guide with lever amplification | Flexure guide with lever amplification | Flexure guide with lever amplification | Flexure guide with lever amplification | |
| Overall mass | 110 g | 110 g | 110 g | 160 g | 160 g | 160 g | 200 g | 200 g | 200 g | 240 g | 240 g | 240 g | 380 g | 380 g | 380 g | 720 g | 720 g | 720 g | |
| Material | Aluminum | Aluminum | Aluminum | Aluminum | Aluminum | Aluminum | Aluminum | Aluminum | Aluminum | Aluminum | Aluminum | Aluminum | Aluminum | Aluminum | Aluminum | Aluminum | Aluminum | Aluminum | |
| Miscellaneous | P-620.10L | P-620.1CD | P-620.1CL | P-621.10L | P-621.1CD | P-621.1CL | P-622.10L | P-622.1CD | P-622.1CL | P-625.10L | P-625.1CD | P-625.1CL | P-628.10L | P-628.1CD | P-628.1CL | P-629.10L | P-629.1CD | P-629.1CL | Tolerance |
| Operating temperature range | -20 to 150 °C | -20 to 80 °C | -20 to 80 °C | -20 to 150 °C | -20 to 80 °C | -20 to 80 °C | -20 to 150 °C | -20 to 80 °C | -20 to 80 °C | -20 to 150 °C | -20 to 80 °C | -20 to 80 °C | -20 to 150 °C | -20 to 80 °C | -20 to 80 °C | -20 to 150 °C | -20 to 80 °C | -20 to 80 °C | |
| Connector | LEMO LVPZT | D-sub 7W2 (m) | LEMO LVPZT | LEMO LVPZT | D-sub 7W2 (m) | LEMO LVPZT | LEMO LVPZT | D-sub 7W2 (m) | LEMO LVPZT | LEMO LVPZT | D-sub 7W2 (m) | LEMO LVPZT | LEMO LVPZT | D-sub 7W2 (m) | LEMO LVPZT | LEMO LVPZT | D-sub 7W2 (m) | LEMO LVPZT | |
| Sensor connector | — | — | LEMO for capacitive sensors | — | — | LEMO for capacitive sensors | — | — | LEMO for capacitive sensors | — | — | LEMO for capacitive sensors | — | — | LEMO for capacitive sensors | — | — | LEMO for capacitive sensors | |
| Cable length | 1.5 m | 1.5 m | 1.5 m | 1.5 m | 1.5 m | 1.5 m | 1.5 m | 1.5 m | 1.5 m | 1.5 m | 1.5 m | 1.5 m | 1.5 m | 1.5 m | 1.5 m | 1.5 m | 1.5 m | 1.5 m | |
| Recommended controllers/drivers | E-503, E-505, E-610, E-665 | E-503, E-505, E-610, E-621, E-625, E-709.1C1L, E-754 | E-503, E-505, E-610, E-621, E-625, E-709.1C1L, E-754 | E-503, E-505, E-610, E-665 | E-503, E-505, E-610, E-621, E-625, E-709.1C1L, E-754 | E-503, E-505, E-610, E-621, E-625, E-709.1C1L, E-754 | E-503, E-505, E-610, E-665 | E-503, E-505, E-610, E-621, E-625, E-709.1C1L, E-754 | E-503, E-505, E-610, E-621, E-625, E-709.1C1L, E-754 | E-503, E-505, E-610, E-665 | E-503, E-505, E-610, E-621, E-625, E-709.1C1L, E-754 | E-503, E-505, E-610, E-621, E-625, E-709.1C1L, E-754 | E-503, E-505, E-610, E-665 | E-503, E-505, E-610, E-621, E-625, E-709.1C1L, E-754 | E-503, E-505, E-610, E-621, E-625, E-709.1C1L, E-754 | E-503, E-505, E-610, E-665 | E-503, E-505, E-610, E-621, E-625, E-709.1C1L, E-754 | E-503, E-505, E-610, E-621, E-625, E-709.1C1L, E-754 |
P-628.1CD / P-628.1CL: Linearity error in X (typ.) 0.03 % with digital controller. With analog controllers 0.05 %.
P-629.1CD / P-629.1CL: Linearity error in X (typ.) 0.03 % with digital controller. With analog controllers 0.08 %.
The resolution of the system is limited only by the noise of the amplifier and the measuring technology because PI piezo nanopositioning systems are free of friction.
Vacuum versions to 10-9 hPa are available under the P-62x.1U order numbers.
All specifications based on room temperature (22 °C ±3 °C).
At PI, technical data is specified at 22 ±3 °C. Unless otherwise stated, the values are for unloaded conditions. Some properties are interdependent. The designation "typ." indicates a statistical average for a property; it does not indicate a guaranteed value for every product supplied. During the final inspection of a product, only selected properties are analyzed, not all. Please note that some product characteristics may deteriorate with increasing operating time.
Downloads
Product Note
Product Change Notification Piezo Actuator Driven Products
Datasheet
Documentation
User Manual PZ234
P-620, P-621, P-622, P-625, P-628, P-629 PIHera Piezo Stages with Capacitive Sensors
3D Models
P-62x.1 STEP
Quote / Order
Ask for a free quote on quantities required, prices, and lead times or describe your desired modification.
PIHera precision linear nanopositioner, 50 µm, direct position measuring, capacitive sensor, D-sub connector
PIHera precision linear nanopositioner, 50 µm, direct position measuring, capacitive sensor, LEMO connectors
PIHera precision linear nanopositioner, 120 µm, without sensor, LEMO connector
PIHera precision linear nanopositioner, 100 µm, direct position measuring, capacitive sensor, D-sub connector
PIHera precision linear nanopositioner, 100 µm, direct position measuring, capacitive sensor, LEMO connectors
PIHera precision linear nanopositioner, 300 µm, without sensor, LEMO connector
PIHera precision linear nanopositioner, 250 µm, direct position measuring, capacitive sensor, D-sub connector
PIHera precision linear nanopositioner, 250 µm, direct position measuring, capacitive sensor, LEMO connectors
PIHera precision linear nanopositioner, 600 µm, without sensor, LEMO connector
PIHera precision linear nanopositioner, 500 µm, direct position measuring, capacitive sensor, D-sub connector
PIHera precision linear nanopositioner, 500 µm, direct position measuring, capacitive sensor, LEMO connectors
PIHera precision linear nanopositioner, 950 µm, without sensor, LEMO connector
PIHera precision linear nanopositioner, 800 µm, direct position measuring, capacitive sensor, D-sub connector
PIHera precision linear nanopositioner, 800 µm, direct position measuring, capacitive sensor, LEMO connectors
PIHera precision linear nanopositioner, 1800 µm, without sensor, LEMO connector
PIHera precision linear nanopositioner, 1500 µm, direct position measuring, capacitive sensor, D-sub connector
PIHera precision linear nanopositioner, 1500 µm, direct position measuring, capacitive sensor, LEMO connectors
How to Get a Quote
Ask an engineer!
Quickly receive an answer to your question by email or phone from a local PI sales engineer.
Technology

PICMA® Technology
Highly reliable and extended lifetime through the patented manufacturing process for multilayer actuators.

Vacuum
Careful handling, adequate premises: PI does not only have the necessary equipment for the qualification of materials, components and final products, but also has many years of experience with regard to HV und UHV positioning systems.

Flexure Guiding Systems
Flexure guides from PI have proven their worth in nanopositioning. They guide the piezo actuator and ensure a straight motion without tilting or lateral offset.

Capacitive Sensors
Capacitive sensors are the metrology system of choice for the most demanding nanopositioning applications.




















