PICA Thru piezo actuator, 5 µm travel range, OD 10 mm × ID 5 mm × L 7 mm
PICA Thru Ring Actuators
High-Load Piezo Actuators with Inner Hole
- High load capacity
- Extreme reliability: >109 cycles
- Microsecond response time
- Subnanometer resolution
- Flexible thanks to wide range of designs
Stacked piezo linear actuator
Operating voltage 0 to 1000 V. Long lifetime without loss of performance. High specific displacement. A mechanical preload can be applied via inner holes.
Possible modifications
Strain gauge sensors for positional stability
Piezoceramic material
Operating voltage range, displacement, layer thickness
Load capacity, force generation
Geometric shapes: round, rectangular, various diameters
Endpiece: flat
Integrated piezoelectric force detector layers
Extended temperature range
UHV-compatible versions to 10-9 hPa
Nonmagnetic versions
Reduced length tolerances
Application fields
Industry and research. For optics, precision mechanics and manufacturing, laser tuning.
Specifications
Specifications
| Travel range | Diameter OD | Diameter ID | Length L | Blocking force | Stiffness | Electrical capacitance | Resonant frequency | |
|---|---|---|---|---|---|---|---|---|
| µm | mm | mm | mm | N | N/µm | nF | kHz | |
| P-010.00H | 5 | 10 | 5 | 7 | 1200 | 230 | 15 | 144 |
| P-010.10H | 15 | 10 | 5 | 15 | 1700 | 110 | 40 | 67 |
| P-010.20H | 30 | 10 | 5 | 27 | 1800 | 59 | 82 | 39 |
| P-010.40H | 60 | 10 | 5 | 54 | 1800 | 29 | 180 | 21 |
| P-016.00H | 5 | 16 | 8 | 7 | 2900 | 580 | 42 | 144 |
| P-016.10H | 15 | 16 | 8 | 15 | 4100 | 270 | 120 | 67 |
| P-016.20H | 30 | 16 | 8 | 27 | 4500 | 150 | 230 | 39 |
| P-016.40H | 60 | 16 | 8 | 52 | 4700 | 78 | 490 | 21 |
| P-025.10H | 15 | 25 | 16 | 16 | 7400 | 490 | 220 | 63 |
| P-025.20H | 30 | 25 | 16 | 27 | 8700 | 290 | 430 | 39 |
| P-025.40H | 60 | 25 | 16 | 51 | 9000 | 150 | 920 | 22 |
| P-025.50H | 80 | 25 | 16 | 66 | 9600 | 120 | 1200 | 17 |
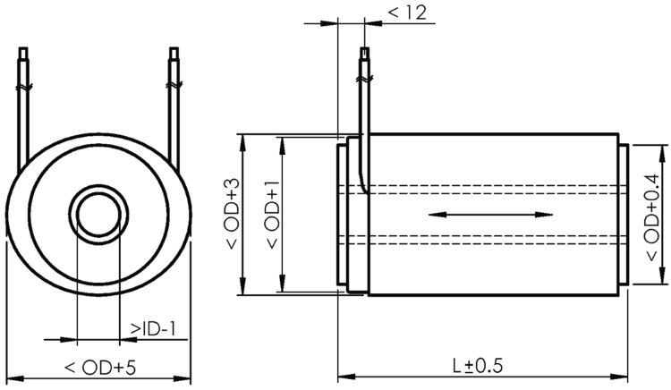
Travel range: at 0 to 1000 V, tolerance -10/20 %
Length L: tolerance ±0.5 mm
Blocking force: at 0 to 1000 V
Electrical capacitance: measured at 1 V, 1 kHz, RT, tolerance ±20 %
Resonant frequency: measured at 1 V, unloaded, unclamped. The value is halved for unilateral clamping.
Piezoceramics: PIC151
Standard connections: FEP-insulated connecting wires, 100 mm, AWG 24, Ø 1.15 mm Operating voltage range: 0 V to 1000 V
Operating temperature range: -20 to 85 °C
Standard tips: ceramic rings (passive PZT)
Lateral surface: polyolefin shrink tube, black (outside); epoxy resin (inside)
Recommended preload for dynamic operation: 15 MPa
Maximum preload for constant force: 30 MPa
Custom versions or different specifications are available on request.
Downloads
Datasheet
Documentation
User Manual PZ138
PICA Piezo Actuators: P-007, P-010, P-016, P-025, P-035, P-045, P-050, P-056 PICA Stack/Power/Thru Customized Products
Ask for a free quote on quantities required, prices, and lead times or describe your desired modification.
PICA Thru piezo actuator, 15 µm travel range, OD 10 mm × ID 5 mm × L 15 mm
PICA Thru piezo actuator, 30 µm travel range, OD 10 mm × ID 5 mm × L 27 mm
PICA Thru piezo actuator, 60 µm travel range, OD 10 mm × ID 5 mm × L 54 mm
PICA Thru piezo actuator, 5 µm travel range, OD 16 mm × ID 8 mm × L 7 mm
PICA Thru piezo actuator, 15 µm travel range, OD 16 mm × ID 8 mm × L 15 mm
PICA Thru piezo actuator, 30 µm travel range, OD 16 mm × ID 8 mm × L 27 mm
PICA Thru piezo actuator, 60 µm travel range, OD 16 mm × ID 8 mm × L 52 mm
PICA Thru piezo actuator, 15 µm travel range, OD 25 mm × ID 16 mm × L 16 mm
PICA Thru piezo actuator, 30 µm travel range, OD 25 mm × ID 16 mm × L 27 mm
PICA Thru piezo actuator, 60 µm travel range, OD 25 mm × ID 16 mm × L 51 mm
PICA Thru piezo actuator, 80 µm travel range, OD 25 mm × ID 16 mm × L 66 mm

















