PICA Power piezo actuator; 15 µm travel range (open loop); LEMO HVPZT; 1 m cable length
P-235 PICA Power Piezo Actuators
Preloaded High-Load Piezo Actuators (HVPZT) with Sensor Option
- Extremely high stiffness
- Push force capacity to 30000 N
- Pull force capacity to 3500 N
- Travel range up to 180 µm
- Options: Vacuum, high-temperature versions, waterproof housing
Application fields
- Active vibration absorber
- Adaptive mechanics
- Precision mechanics / micromechanics
- Optics
- Measuring technology / interferometry
- Adaptive systems technology
- Switch
- Laser tuning
- Force generation / materials testing
- Nanotechnology
PICA Power piezo actuators for high loads
PICA Power high-load stack actuators are reliable and provide long travel ranges for heavy loads. The actuators are suitable for demanding loads with high temperatures.
Suitable for sophisticated vacuum applications
Piezo actuators do not require lubricants or cause abrasion. Versions are available for vacuum to 10-6 hPa and for particularly high or low operating temperatures.
Specifications
Specifications
| Motion | P-235.10 | P-235.10V | P-235.1S | P-235.1SV | P-235.20 | P-235.20V | P-235.2S | P-235.2SV | P-235.40 | P-235.40V | P-235.4S | P-235.4SV | P-235.80 | P-235.80V | P-235.8S | P-235.8SV | P-235.90 | P-235.90V | P-235.9S | P-235.9SV | Tolerance |
|---|---|---|---|---|---|---|---|---|---|---|---|---|---|---|---|---|---|---|---|---|---|
| Active axes | Z | Z | Z | Z | Z | Z | Z | Z | Z | Z | Z | Z | Z | Z | Z | Z | Z | Z | Z | Z | |
| Travel range in Z | — | — | 15 µm | 15 µm | — | — | 30 µm | 30 µm | — | — | 60 µm | 60 µm | — | — | 120 µm | 120 µm | — | — | 180 µm | 180 µm | |
| Travel range in Z, open loop | 15 µm | 15 µm | 15 µm | 15 µm | 30 µm | 30 µm | 30 µm | 30 µm | 60 µm | 60 µm | 60 µm | 60 µm | 120 µm | 120 µm | 120 µm | 120 µm | 180 µm | 180 µm | 180 µm | 180 µm | ±20 % |
| Linearity error in Z | — | — | 0.2 % | 0.2 % | — | — | 0.2 % | 0.2 % | — | — | 0.2 % | 0.2 % | — | — | 0.2 % | 0.2 % | — | — | 0.2 % | 0.2 % | typ. |
| Positioning | P-235.10 | P-235.10V | P-235.1S | P-235.1SV | P-235.20 | P-235.20V | P-235.2S | P-235.2SV | P-235.40 | P-235.40V | P-235.4S | P-235.4SV | P-235.80 | P-235.80V | P-235.8S | P-235.8SV | P-235.90 | P-235.90V | P-235.9S | P-235.9SV | Tolerance |
| Resolution in Z, open loop | 0.15 nm | 0.15 nm | 0.15 nm | 0.15 nm | 0.3 nm | 0.3 nm | 0.3 nm | 0.3 nm | 0.6 nm | 0.6 nm | 0.6 nm | 0.6 nm | 1.2 nm | 1.2 nm | 1.2 nm | 1.2 nm | 1.8 nm | 1.8 nm | 1.8 nm | 1.8 nm | typ. |
| Integrated sensor | — | — | SGS, direct position measuring | SGS, direct position measuring | — | — | SGS, direct position measuring | SGS, direct position measuring | — | — | SGS, direct position measuring | SGS, direct position measuring | — | — | SGS, direct position measuring | SGS, direct position measuring | — | — | SGS, direct position measuring | SGS, direct position measuring | |
| System resolution in Z | — | — | 0.3 nm | 0.3 nm | — | — | 0.6 nm | 0.6 nm | — | — | 1.2 nm | 1.2 nm | — | — | 2.4 nm | 2.4 nm | — | — | 3.6 nm | 3.6 nm | |
| Drive Properties | P-235.10 | P-235.10V | P-235.1S | P-235.1SV | P-235.20 | P-235.20V | P-235.2S | P-235.2SV | P-235.40 | P-235.40V | P-235.4S | P-235.4SV | P-235.80 | P-235.80V | P-235.8S | P-235.8SV | P-235.90 | P-235.90V | P-235.9S | P-235.9SV | Tolerance |
| Actuator type | Linear actuator | Linear actuator | Linear actuator | Linear actuator | Linear actuator | Linear actuator | Linear actuator | Linear actuator | Linear actuator | Linear actuator | Linear actuator | Linear actuator | Linear actuator | Linear actuator | Linear actuator | Linear actuator | Linear actuator | Linear actuator | Linear actuator | Linear actuator | |
| Drive type | PICA | PICA | PICA | PICA | PICA | PICA | PICA | PICA | PICA | PICA | PICA | PICA | PICA | PICA | PICA | PICA | PICA | PICA | PICA | PICA | |
| Operating voltage | 0 to 1000 V | 0 to 1000 V | 0 to 1000 V | 0 to 1000 V | 0 to 1000 V | 0 to 1000 V | 0 to 1000 V | 0 to 1000 V | 0 to 1000 V | 0 to 1000 V | 0 to 1000 V | 0 to 1000 V | 0 to 1000 V | 0 to 1000 V | 0 to 1000 V | 0 to 1000 V | 0 to 1000 V | 0 to 1000 V | 0 to 1000 V | 0 to 1000 V | |
| Electrical capacitance in Z | 550 nF | 550 nF | 550 nF | 550 nF | 1100 nF | 1100 nF | 1100 nF | 1100 nF | 2400 nF | 2400 nF | 2400 nF | 2400 nF | 5100 nF | 5100 nF | 5100 nF | 5100 nF | 7800 nF | 7800 nF | 7800 nF | 7800 nF | ±20 % |
| Mechanical Properties | P-235.10 | P-235.10V | P-235.1S | P-235.1SV | P-235.20 | P-235.20V | P-235.2S | P-235.2SV | P-235.40 | P-235.40V | P-235.4S | P-235.4SV | P-235.80 | P-235.80V | P-235.8S | P-235.8SV | P-235.90 | P-235.90V | P-235.9S | P-235.9SV | Tolerance |
| Stiffness in Z | 860 N/µm | 860 N/µm | 860 N/µm | 860 N/µm | 600 N/µm | 600 N/µm | 600 N/µm | 600 N/µm | 380 N/µm | 380 N/µm | 380 N/µm | 380 N/µm | 210 N/µm | 210 N/µm | 210 N/µm | 210 N/µm | 150 N/µm | 150 N/µm | 150 N/µm | 150 N/µm | ±20 % |
| Resonant frequency in Z, unloaded | 14 kHz | 14 kHz | 14 kHz | 14 kHz | 10 kHz | 10 kHz | 10 kHz | 10 kHz | 7 kHz | 7 kHz | 7 kHz | 7 kHz | 4 kHz | 4 kHz | 4 kHz | 4 kHz | 2.8 kHz | 2.8 kHz | 2.8 kHz | 2.8 kHz | ±20 % |
| Permissible push force in Y | 707 N | 707 N | 707 N | 707 N | 420 N | 420 N | 420 N | 420 N | 232 N | 232 N | 232 N | 232 N | 147 N | 147 N | 147 N | 147 N | 147 N | 147 N | 147 N | 147 N | max. |
| Permissible push force in Z | 30000 N | 30000 N | 30000 N | 30000 N | 30000 N | 30000 N | 30000 N | 30000 N | 30000 N | 30000 N | 30000 N | 30000 N | 30000 N | 30000 N | 30000 N | 30000 N | 30000 N | 30000 N | 30000 N | 30000 N | max. |
| Permissible pull force in Z | 3500 N | 3500 N | 3500 N | 3500 N | 3500 N | 3500 N | 3500 N | 3500 N | 3500 N | 3500 N | 3500 N | 3500 N | 3500 N | 3500 N | 3500 N | 3500 N | 3500 N | 3500 N | 3500 N | 3500 N | max. |
| Permissible torque in θZ | 2 N·m | 2 N·m | 2 N·m | 2 N·m | 2 N·m | 2 N·m | 2 N·m | 2 N·m | 2 N·m | 2 N·m | 2 N·m | 2 N·m | 2 N·m | 2 N·m | 2 N·m | 2 N·m | 2 N·m | 2 N·m | 2 N·m | 2 N·m | max. |
| Overall mass | 580 g | 580 g | 580 g | 580 g | 690 g | 690 g | 690 g | 690 g | 940 g | 940 g | 940 g | 940 g | 1400 g | 1400 g | 1400 g | 1400 g | 1900 g | 1900 g | 1900 g | 1900 g | ±5 % |
| Material | Stainless steel | Stainless steel | Stainless steel | Stainless steel | Stainless steel | Stainless steel | Stainless steel | Stainless steel | Stainless steel | Stainless steel | Stainless steel | Stainless steel | Stainless steel | Stainless steel | Stainless steel | Stainless steel | Stainless steel | Stainless steel | Stainless steel | Stainless steel | |
| Miscellaneous | P-235.10 | P-235.10V | P-235.1S | P-235.1SV | P-235.20 | P-235.20V | P-235.2S | P-235.2SV | P-235.40 | P-235.40V | P-235.4S | P-235.4SV | P-235.80 | P-235.80V | P-235.8S | P-235.8SV | P-235.90 | P-235.90V | P-235.9S | P-235.9SV | Tolerance |
| Operating temperature range | -40 to 80 °C | -40 to 150 °C | -40 to 80 °C | -40 to 150 °C | -40 to 80 °C | -40 to 150 °C | -40 to 80 °C | -40 to 150 °C | -40 to 80 °C | -40 to 150 °C | -40 to 80 °C | -40 to 150 °C | -40 to 80 °C | -40 to 150 °C | -40 to 80 °C | -40 to 150 °C | -40 to 80 °C | -40 to 150 °C | -40 to 80 °C | -40 to 150 °C | |
| Vacuum class | — | 10⁻⁶ ǀ hPa | — | 10⁻⁶ ǀ hPa | — | 10⁻⁶ ǀ hPa | — | 10⁻⁶ ǀ hPa | — | 10⁻⁶ ǀ hPa | — | 10⁻⁶ ǀ hPa | — | 10⁻⁶ ǀ hPa | — | — | — | 10⁻⁶ ǀ hPa | — | 10⁻⁶ ǀ hPa | |
| Connector | LEMO HVPZT | LEMO HVPZT | LEMO HVPZT | LEMO HVPZT | LEMO HVPZT | LEMO HVPZT | LEMO HVPZT | LEMO HVPZT | LEMO HVPZT | LEMO HVPZT | LEMO HVPZT | LEMO HVPZT | LEMO HVPZT | LEMO HVPZT | LEMO HVPZT | LEMO HVPZT | LEMO HVPZT | LEMO HVPZT | LEMO HVPZT | LEMO HVPZT | |
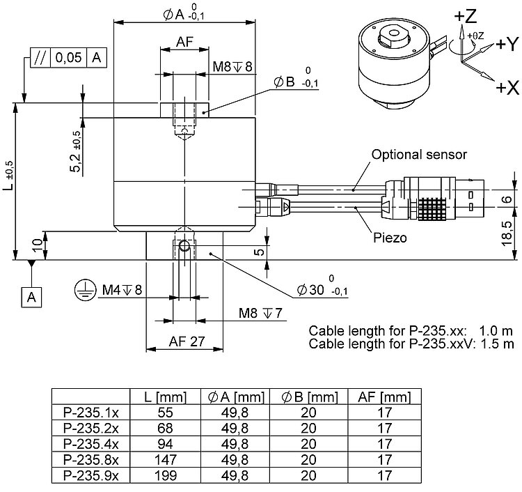
| Cable length | 1 m | 1.5 m | 1 m | 1.5 m | 1 m | 1.5 m | 1 m | 1.5 m | 1 m | 1.5 m | 1 m | 1.5 m | 1 m | 1.5 m | 1 m | 1.5 m | 1 m | 1.5 m | 1 m | 1.5 m | |
| Recommended controllers/drivers | E-462, E-464, E-470 • E-472 • E-421, E-481, E-482, E-508 | E-462, E-464, E-470 • E-472 • E-421, E-481, E-482, E-508 | E-462, E-464, E-470 • E-472 • E-421, E-481, E-482, E-508 | E-462, E-464, E-470 • E-472 • E-421, E-481, E-482, E-508 | E-462, E-464, E-470 • E-472 • E-421, E-481, E-482, E-508 | E-462, E-464, E-470 • E-472 • E-421, E-481, E-482, E-508 | E-462, E-464, E-470 • E-472 • E-421, E-481, E-482, E-508 | E-462, E-464, E-470 • E-472 • E-421, E-481, E-482, E-508 | E-462, E-464, E-470 • E-472 • E-421, E-481, E-482, E-508 | E-462, E-464, E-470 • E-472 • E-421, E-481, E-482, E-508 | E-462, E-464, E-470 • E-472 • E-421, E-481, E-482, E-508 | E-462, E-464, E-470 • E-472 • E-421, E-481, E-482, E-508 | E-462, E-464, E-470 • E-472 • E-421, E-481, E-482, E-508 | E-462, E-464, E-470 • E-472 • E-421, E-481, E-482, E-508 | E-462, E-464, E-470 • E-472 • E-421, E-481, E-482, E-508 | E-462, E-464, E-470 • E-472 • E-421, E-481, E-482, E-508 | E-462, E-464, E-470 • E-472 • E-421, E-481, E-482, E-508 | E-462, E-464, E-470 • E-472 • E-421, E-481, E-482, E-508 | E-462, E-464, E-470 • E-472 • E-421, E-481, E-482, E-508 | E-462, E-464, E-470 • E-472 • E-421, E-481, E-482, E-508 | |
| Sensor connector | — | — | LEMO for strain gauge sensors | LEMO for strain gauge sensors | — | — | LEMO for strain gauge sensors | LEMO for strain gauge sensors | — | — | LEMO for strain gauge sensors | LEMO for strain gauge sensors | — | — | LEMO for strain gauge sensors | LEMO for strain gauge sensors | — | — | LEMO for strain gauge sensors | LEMO for strain gauge sensors |
Stiffness in Z: Static large-signal stiffness; dynamic small-signal stiffness 50 % higher.
Operating temperature range: The maximum bakeout temperature of the vacuum feedthrough is 100 °C.
The resolution of the system is only limited by the noise of the amplifier and measuring technology because PI piezo actuators are free of friction.
The operating voltage should not exceed 750 V in continuous operation.
At PI, technical data is specified at 22 ±3 °C. Unless otherwise stated, the values are for unloaded conditions. Some properties are interdependent. The designation "typ." indicates a statistical average for a property; it does not indicate a guaranteed value for every product supplied. During the final inspection of a product, only selected properties are analyzed, not all. Please note that some product characteristics may deteriorate with increasing operating time.
Downloads
Product Note
Product Change Notification Piezo Actuator Driven Products
Datasheet
Documentation
User Manual PZ245
P-225, P-235 Preloaded High-Load Piezo Actuators, 1000 V
3D Models
P-235 3-D model
Ask for a free quote on quantities required, prices, and lead times or describe your desired modification.
PICA Power piezo actuator; 15 µm travel range (open loop); vacuum compatible to 10-6 hPa; LEMO HVPZT; 1.5 m cable length
PICA Power piezo actuator; 15 µm travel range; SGS, direct position measuring; LEMO HVPZT; 1 m cable length
PICA Power piezo actuator; 15 µm travel range; SGS, direct position measuring; vacuum compatible to 10-6 hPa; LEMO HVPZT; 1.5 m cable length
PICA Power piezo actuator; 30 µm travel range (open loop); LEMO HVPZT; 1 m cable length
PICA Power piezo actuator; 30 µm travel range (open loop); vacuum-compatible to 10-6 hPa; LEMO HVPZT; 1.5 m cable length
PICA Power piezo actuator; 30 µm travel range; SGS, direct position measuring; LEMO HVPZT; 1 m cable length
PICA Power piezo actuator; 30 µm travel range; SGS, direct position measuring; vacuum compatible to 10-6 hPa; LEMO HVPZT; 1.5 m cable length
PICA Power piezo actuator; 60 µm travel range (open loop); LEMO HVPZT; 1 m cable length
PICA Power piezo actuator; 60 µm travel range (open loop); vacuum-compatible to 10-6 hPa; LEMO HVPZT; 1.5 m cable length
PICA Power piezo actuator; 60 µm travel range; SGS, direct position measuring; LEMO HVPZT; 1 m cable length
PICA Power piezo actuator; 60 µm travel range; SGS, direct position measuring; vacuum compatible to 10-6 hPa; LEMO HVPZT; 1.5 m cable length
PICA Power piezo actuator; 120 µm travel range (open loop); LEMO HVPZT; 1 m cable length
PICA Power piezo actuator; 120 µm travel range (open loop); vacuum-compatible to 10-6 hPa; LEMO HVPZT; 1.5 m cable length
PICA Power piezo actuator; 120 µm travel range; SGS, direct position measuring; LEMO HVPZT; 1 m cable length
PICA Power piezo actuator; 120 µm travel range; SGS, direct position measuring; vacuum compatible to 10-6 hPa; LEMO HVPZT; 1.5 m cable length
PICA Power piezo actuator; 180 µm travel range (open loop); LEMO HVPZT; 1 m cable length
PICA Power piezo actuator; 180 µm travel range (open loop); vacuum-compatible to 10-6 hPa; LEMO HVPZT; 1.5 m cable length
PICA Power piezo actuator; 180 µm travel range; SGS, direct position measuring; LEMO HVPZT; 1 m cable length
PICA Power piezo actuator; 180 µm travel range; SGS, direct position measuring; vacuum compatible to 10-6 hPa; LEMO HVPZT; 1.5 m cable length
How to Get a Quote
Ask an engineer!
Quickly receive an answer to your question by email or phone from a local PI sales engineer.



















