NEW

V-855.TTx Motion Platform for V-855 Positioners

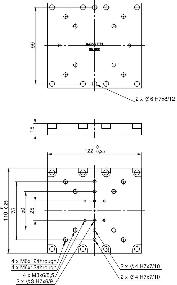
Triple M6 Hole Pattern

  • Hole pattern, 25 mm × 25 mm
  • Hole pattern, 50 mm × 50 mm
  • Hole pattern, 75 mm × 75 mm
  • M3 and M6 threaded holes
V-855.TTx Motion Platform for V-855 Positioners
Product Description Specifications Downloads Quote / Order

Product overview

The motion platform is available as optional accessory for the V-855 high-speed linear stages.

It offers versatile assembly options with a triple M6 hole pattern.

Specifications

Datasheet

Datasheet V-855.TTx

Version / Date
2021-07-28
pdf - 347 KB
Version / Date
2021-07-28
pdf - 352 KB

Downloads

Datasheet

Datasheet

Datasheet V-855.TTx

Version / Date
2021-07-28
pdf - 347 KB
Version / Date
2021-07-28
pdf - 352 KB

3D Models

3D Models

3-D model V-855.TT1

Version / Date
2021-07-28
zip - 319 KB

Ask for a free quote on quantities required, prices, and lead times or describe your desired modification.

How to Get a Quote

Click on QUOTE / ORDER
Add variant to quote list
Fill out quote form
Send price request to PI
We will contact you shortly

Ask an engineer!

Quickly receive an answer to your question by email or phone from a local PI sales engineer.

Compatible Products