NEW

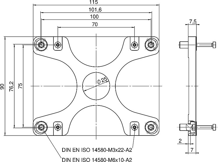
V-308.APx Adapter Plate for V-308

For Mounting V-308 on Honeycomb Tables

  • Mounting on honeycomb tables with metrical hole pattern
  • Mounting on honeycomb tables with imperial hole pattern
V-308.APx Adapter Plate for V-308
Product Description Specifications Downloads Quote / Order

Specifications

Datasheet

Datasheet V-308.APx

Version / Date
2021-07-08
pdf - 2 MB
Version / Date
2021-07-08
pdf - 2 MB

Downloads

Datasheet

Datasheet

Datasheet V-308.APx

Version / Date
2021-07-08
pdf - 2 MB
Version / Date
2021-07-08
pdf - 2 MB

3D Models

3D Models

3D model V-308.AP1

Version / Date
2021-07-08
zip - 138 KB

Ask for a free quote on quantities required, prices, and lead times or describe your desired modification.

How to Get a Quote

Click on QUOTE / ORDER
Add variant to quote list
Fill out quote form
Send price request to PI
We will contact you shortly

Ask an engineer!

Quickly receive an answer to your question by email or phone from a local PI sales engineer.

Compatible Products