C-815.VFxx Vacuum Feedthroughs
Interfaces Between Air Side and High Vacuum (HV) or Ultrahigh Vacuum (UHV)
- Accessories for positioning stages suitable for vacuum
- Closure and port for vacuum chambers
- Vacuum compatible to 10-9 hPa











Connection of standard controllers to vacuum applications
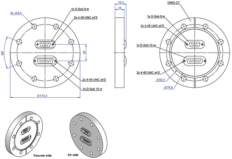
Vacuum feedthroughs are the interface between the positioner within the vacuum enclosure and the controller on the air side. With their help, vacuum applications can be connected to standard controllers. Vacuum feedthroughs are available for a variety of connectors and for a different number of cables. The cables are not part of the scope of delivery for the feedthroughs.
Specifications
Specifications
| Characteristics | V6 feedthroughs | V7 and V9 feedthroughs | Unit | 
|---|---|---|---|
| Seal | Fluoroelastomer | Glass ceramics | |
| Flange | Aluminum alloy, gold iridite | Stainless steel 316L | |
| Test voltage | 1000 | 500 | V | 
| Max. current per pin | 5 | 5 | A | 
| Temperature range | -40 to 125 | -200 to 300 | °C | 
| Leak rate | < 5 × 10-9 | < 5 × 10-10 | mbar l/s He | 
| Total mass loss (TML) | < 1 | % | |
| Collected volatile condensable materials (CVCM) | < 0.1 | % | 
Quote / Order
Ask for a free quote on quantities required, prices, and lead times or describe your desired modification.

















