Precision rotation stage, Ø 60 mm, 20 mm Ø aperture, 360°, closed-loop DC gear motor
M-060 • M-061 • M-062 Precision Rotation Stage
Unlimited Travel Range
- Unlimited travel range
- High resolution
- Maximum velocity 16°/s
- Backlash-compensated worm drive
- DC gear motor
- Direction-sensing reference switch
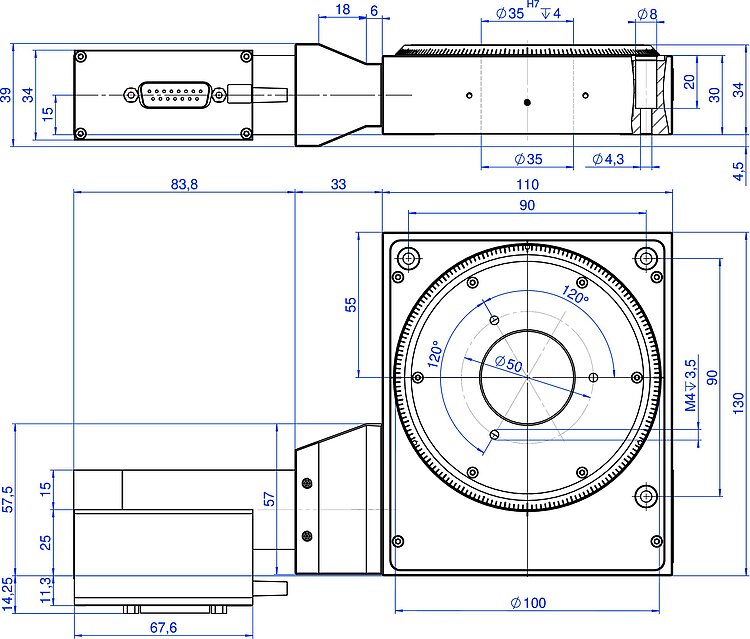
Precision rotation stage with worm drive
The M-06x series rotation stages feature high-precision and extremely low friction, backlash-compensated worm drives. This enables an unlimited travel range in both directions of rotation. The precision rotation stages are available with three different diameters: 60 mm (20 mm aperture), 100 mm (35 mm aperture), and 120 mm (45 mm aperture).
Application fields
Research and development, semiconductor testing, mass storage tests, metrology, photonics, quality assurance.
Specifications
Specifications
| Motion | M-060.DG | M-061.DG | M-062.DG | Tolerance |
|---|---|---|---|---|
| Active axes | θZ | θZ | θZ | |
| Rotation range in θZ | 360 ° | 360 ° | 360 ° | |
| Maximum angular velocity in θZ, unloaded | 16 °/s | 9 °/s | 7.5 °/s | |
| Positioning | M-060.DG | M-061.DG | M-062.DG | Tolerance |
| Minimum incremental motion in θZ | 6.3 µrad | 6 µrad | 5 µrad | typ. |
| Unidirectional repeatability in θZ | ± 25 µrad | ± 25 µrad | ± 30 µrad | typ. |
| Bidirectional repeatability in θZ | 600 µrad | 600 µrad | 700 µrad | typ. |
| Backlash in θZ | 200 µrad | 200 µrad | 240 µrad | typ. |
| Reference switch | Hall effect | Hall effect | Hall effect | |
| Integrated sensor | Incremental rotary encoder | Incremental rotary encoder | Incremental rotary encoder | |
| Sensor signal | A/B quadrature, RS-422 | A/B quadrature, RS-422 | A/B quadrature, RS-422 | |
| Sensor resolution | 2000 Cts./rev. | 2000 Cts./rev. | 2000 Cts./rev. | |
| Drive Properties | M-060.DG | M-061.DG | M-062.DG | Tolerance |
| Drive type | DC gear motor | DC gear motor | DC gear motor | |
| Nominal voltage | 12 V | 12 V | 12 V | |
| Maximum power consumption | 3 W | 3 W | 3 W | |
| Drive torque clockwise in θZ | 1.5 N·m | 2.7 N·m | 3.3 N·m | max. |
| Drive torque counterclockwise in θZ | 1.5 N·m | 2.7 N·m | 3.3 N·m | max. |
| Peak torque clockwise in θZ | 1.5 N·m | 2.7 N·m | 3.3 N·m | max. |
| Peak torque counterclockwise in θZ | 1.5 N·m | 2.7 N·m | 3.3 N·m | max. |
| Mechanical Properties | M-060.DG | M-061.DG | M-062.DG | Tolerance |
| Permissible push force in Z | 500 N | 550 N | 650 N | max. |
| Permissible torque in θX | 6 N·m | 6 N·m | 7 N·m | max. |
| Permissible torque in θY | 6 N·m | 6 N·m | 7 N·m | max. |
| Permissible torque in θZ | 4 N·m | 6 N·m | 8 N·m | max. |
| Gear ratio i | (28/12)E4 : 1 | (28/12)E4 : 1 | (28/12)E4 : 1 | |
| Worm gear reduction | 50 : 1 | 90 : 1 | 110 : 1 | |
| Bearing type | Crossed roller bearings | Crossed roller bearings | Crossed roller bearings | |
| Overall mass | 940 g | 1880 g | 2760 g | |
| Material | Aluminum | Aluminum | Aluminum | |
| Miscellaneous | M-060.DG | M-061.DG | M-062.DG | Tolerance |
| Operating temperature range | -10 to 40 °C | -10 to 40 °C | -10 to 40 °C | |
| Connector | D-sub 15 (m) | D-sub 15 (m) | D-sub 15 (m) | |
| Recommended controllers / drivers | C-863 (single axis) C-884 (up to 6 axes) | C-863 (single axis) C-884 (up to 6 axes) | C-863 (single axis) C-884 (up to 6 axes) |
At PI, technical data is specified at 22 ±3 °C. Unless otherwise stated, the values are for unloaded conditions. Some properties are interdependent. The designation "typ." indicates a statistical average for a property; it does not indicate a guaranteed value for every product supplied. During the final inspection of a product, only selected properties are analyzed, not all. Please note that some product characteristics may deteriorate with increasing operating time.
Downloads
Product Note
Product Change Notification M-Portfolio-Streamlining Part-1
M-011.D0, M-035.D01, M-038.001, M-042.00, M-052.00, M-052.30, M-053.10, M-053.20, M-053.30, M-053.40, M-060.03, M-061.03, M-062.02, M-062.03, M-151.10, M-225.00
Product Change Notification M-060, M-061 and M-062 manual, stepper and vacuum products
Datasheet
Documentation
User Manual MP47
M-060, M-061, M-062 Precision Rotation Stages
3D Models
M-06x 3-D model
Ask for a free quote on quantities required, prices, and lead times or describe your desired modification.
Precision rotation stage, Ø 100 mm, 35 mm Ø aperture, 360°, closed-loop DC gear motor
Precision rotation stage, Ø 120 mm, 45 mm Ø aperture, 360°, closed-loop DC gear motor
How to Get a Quote
Ask an engineer!
Quickly receive an answer to your question by email or phone from a local PI sales engineer.






















