Compact PiezoMove linear actuator; PICMA® piezo actuator drive; 300 µm travel range (open loop); push force capacity 2 N; pull force capacity 1.5 N; bare wire strands; 0.1 m cable length
P-604 Compact PiezoMove Linear Actuator
Inexpensive, with 300 µm Travel Range
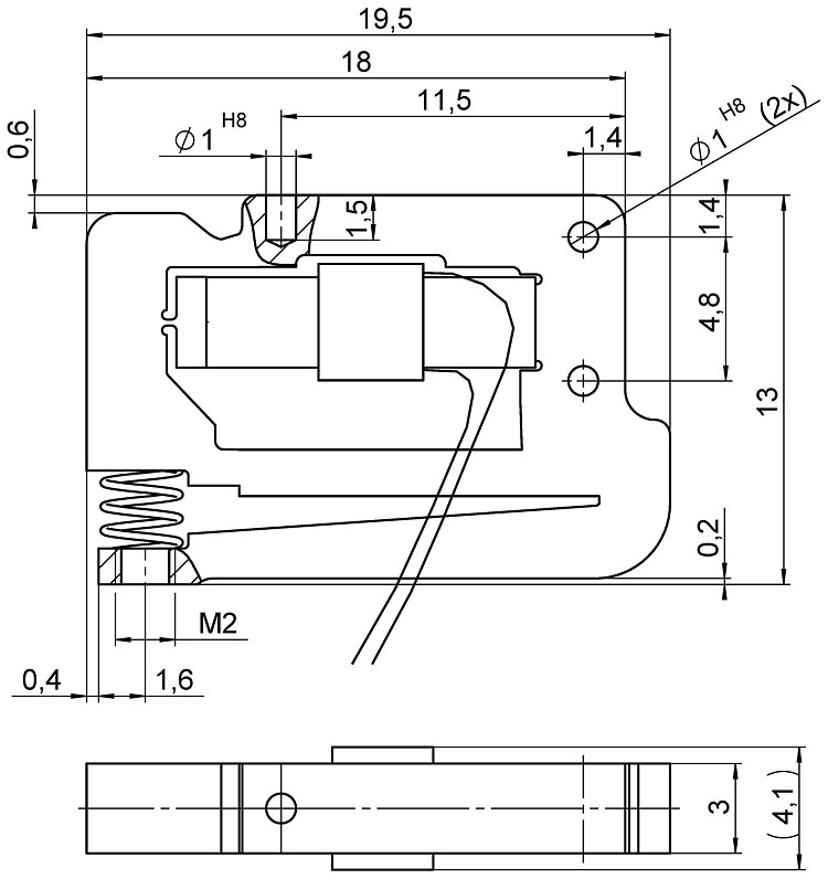
- Light and compact: 4 g and <13 mm × 20 mm surface
- Travel range 300 µm
- Optimized design for manufacturing in large quantities
- Customer-specific adaptations can be provided
- Outstanding lifetime due to PICMA® piezo actuators
- Ideal for OEM applications in optics, medical technology, biotechnology, and microfluidics
Fields of application
- Nanopositioning
- High-speed switching
- Patch clamp
- Microdispensing
- Adaptive systems technology / automation
- Photonics / integrated optics
- Biotechnology
Outstanding lifetime thanks to PICMA® piezo actuators
The PICMA® piezo actuators are all-ceramic insulated. This protects them against humidity and failure resulting from an increase in leakage current. PICMA® actuators offer an up to ten times longer lifetime than conventional polymerinsulated actuators. 100 billion cycles without a single failure are proven.
High guiding accuracy due to zero-play flexure guides
Flexure guides are free of maintenance, friction, and wear, and do not require lubrication. Their stiffness allows high load capacity and they are insensitive to shock and vibration. They are 100% vacuum compatible and work in a wide temperature range.
Specifications
Specifications
| Motion | P-604.300 | Tolerance |
|---|---|---|
| Active axes | Z | |
| Travel range in Z, open loop, at -20 to 120 V | 300 µm | +20 / -0 % |
| Positioning | P-604.300 | Tolerance |
| Resolution in Z, open loop | 0.5 nm | typ. |
| Drive Properties | P-604.300 | Tolerance |
| Drive type | PICMA® | |
| Electrical capacitance | 0,27 µF | ±20 % |
| Mechanical Properties | P-604.300 | Tolerance |
| Stiffness in Z | 0.01 N/µm | ±20 % |
| Resonant frequency in Z, unloaded | 900 Hz | ±20 % |
| Permissible push force in Z | 2 N | max. |
| Permissible pull force in Z | 1.5 N | max. |
| Guide | Flexure guide with lever amplification | |
| Overall mass | 4 g | ±10 % |
| Material | Steel | |
| Miscellaneous | P-604.300 | Tolerance |
| Operating temperature range | -20 to 80 °C | |
| Connector | Bare wire strands | |
| Cable length | 0.1 m | ±10 mm |
| Recommended controllers / drivers | E-610.00 amplifier, E-625, E-831 OEM amplifier module |
The resolution of the system is only limited by the noise of the amplifier and measuring technology because PI piezo actuators are free of friction.
Ask about customized versions.
Downloads
Datasheet
Documentation
User Manual PZ282
P-604.300 Compact PiezoMove Linear Actuator
3D Models
3-D-model P-604.300
Quote / Order
Ask for a free quote on quantities required, prices, and lead times or describe your desired modification.
How to Get a Quote
Ask an engineer!
Quickly receive an answer to your question by email or phone from a local PI sales engineer.
Technology

PICMA® Technology
Highly reliable and extended lifetime through the patented manufacturing process for multilayer actuators.

Flexure Guiding Systems
Flexure guides from PI have proven their worth in nanopositioning. They guide the piezo actuator and ensure a straight motion without tilting or lateral offset.









