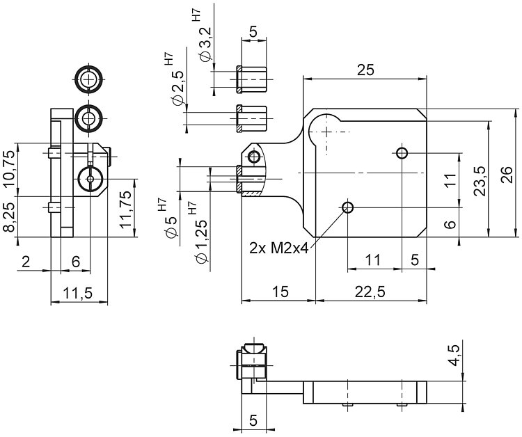
F-603.41 NEW!
Fiber holder 10° for P-616, short, with fiber optic ferrules 1.25 mm, 2.5 mm, and 3.2 mm




F-603.41 / F-603.42 / F-603.43 Fiber holders for P-616-type (NanoCube®) piezo positioners
Ask for a free quote on quantities required, prices, and lead times or describe your desired modification.
Fiber holder 10° for P-616, short, with fiber optic ferrules 1.25 mm, 2.5 mm, and 3.2 mm
Fiber holder 10° for P-616, long, with fiber optic ferrules 1.25 mm, 2.5 mm, and 3.2 mm
Fiber holder 90° for P-616, with fiber optic ferrules 1.25 mm, 2.5 mm, and 3.2 mm